התחבר/י לחשבון שלך
שם משתמש
סיסמה
יצירת חשבון
|
שכחת את הסיסמה שלך?
FORGOT YOUR DETAILS?
USERNAME OR EMAIL
AAH, WAIT, I REMEMBER NOW!
קטלוג הפרופילים
English
he
English
מלאי
אדריכלים
עגלת קניות
התחבר
MENU
MENU
Products menu
Products menu
מקצועיים
זויות
זוית שונת שוקיים
שטוח עגול פינות
שטוח/פלח
שטוח 0-49
שטוח 50-99
שטוח 100 ומעלה
חתך U
חתך T
חתך H
מלבן
מלבן עד 99
מלבן 100 ומעלה
ריבוע
צינור
צינור עד 49
צינור 50 ומעלה
מוט עגול
הקסגון
בנייה
חלונות ודלתות
חלונות ודלתות הזזה
חלונות ודלתות פתיחה
תריסים
משקוף עיוור
רשת
הלבשות
זויות ופינות חיבור
קירות מסך
קיר מסך 50
קיר מסך 55
קיר מסך 60
קיר מסך 70
מודולרי
מודולרי דו שכבתי
חלונות סמויים
קירות מיוחדים
קירות מסך דיסקונט
אביזרי קיר מסך
מערכות ישנות קיר מסך
ציפוי קיר
חיפוי קיר
חיפוי פינות
מעקות
מעקה מעוגל
מעקה מרובע
מעקה רחב
מעקה מיוחד
אביזרי מעקה
מעקה ישן
מחיצות
מחיצה-1
מחיצה-2
מחיצה-3
מחיצה מיוחדת
גדרות
פרגולות
גדרות ופרגולות
הצללה
מסתור כביסה
ויטרינות
אלומיניום עץ
גג אור
חלון ויטראז
תעשייה
מערכת סולארית
מערכת סולארית שכיבה
מערכת סולארית עמידה
מערכת סולארית צפה
גג רעפים
אבזרי סולארי
סולארי כללי
סולארי חול
סוככים
תקרות מונמכות
אלוקובונד
ספים
סדרת סימה
תאורה
תאורת לידים
מקלחונים
נגרות
וילון
מיזוג אוויר
דלתות כללי
דלתות-1
דלתות-2
דלתות-3
דלתות-4
טק 7
דלתות שונות
חקלאות
חממות
זיווד אלקטרוני
זויווד כבד
דלת מוסך מבודדת
מרכבי רכב
מרכבים
שילוט ותמונות
מתקני תצוגה
פלסים
פרופילי מרינה
כבישה
מטבחים
מטבח 1
מטבח 2
תבניות ליציקה
אקווריום
מעליות
שונות
זמנית ללא שיוך
מטבח שונות
אודותינו
פרופיל החברה
מורשתו של מר לוין
הנהלת החברה
איכות הסביבה
אבטחת איכות
המחלקות
מפעל השיחול
מחסן אוטומטי
תכנון וייצור טבעים
קו מיון אלומיניום
בית היציקה
מפעל האלגון
מפעל הצבע
מפעל העיבודים המשלימים
מערכות עיגון סולאריות
חדשנות טכנולוגית
צור קשר
חיפוש פרופיל
פרופיל חדש
הרשמה
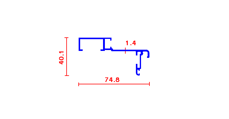
ארגז תריס עם סרגל בולט 40 P
33907
עמוד הבית
/
פרופילי בנייה
/
תריסים
/
תריסי גלילה
/
ארגז תריס
/
ארגז תריס P
NEW!
להזמנה נא להירשם
שתף
הדפס
33907
ארגז תריס עם סרגל בולט 40 P
₪
1.00
המלאי המוצג בטבלה נכון לתאריך 10-04-2026 בשעה 18:54:34
פריט
אורך(מ)
גימור
ט.תרמי
סגסוגת
יחידות במלאי
כמות
משקל כולל(ק"ג)
הוספה
33907
18127534
6
ללא
T5
T5- ט.טרמי - זיקון מלאכותי
006063
14
להתחברות
4.0
מוצרים קשורים
ארגז תריס עם סרגל 5 P
ארגז תריס עם סרגל בולט 40 P
ארגז תריס 70 לסרגל P
ארגז תריס מעוגל 65 לסרגל P
סרגל זיגוג P-24
ארגז תריס מונובלוק 110לסרגל P
ארגז עם סרגל בולט 80 P
ארגז עם סרגל בולט 55 P
סרגל זיגוג 26 P
ארגז תריס מונובלוק סרגל 90 p
דילוג לתוכן
פתח סרגל נגישות
כלי נגישות
כלי נגישות
הגדל טקסט
הגדל טקסט
הקטן טקסט
הקטן טקסט
גווני אפור
גווני אפור
ניגודיות גבוהה
ניגודיות גבוהה
ניגודיות הפוכה
ניגודיות הפוכה
רקע בהיר
רקע בהיר
הדגשת קישורים
הדגשת קישורים
פונט קריא
פונט קריא
איפוס
איפוס